商品編號:P0106000350994 原始貨號:B06007
分享

【Bountree】Premium Longan Honey 100%特級純龍眼蜂蜜(460g/罐)純龍眼蜂蜜 琥珀色

◆天然的深邃琥珀,焦糖與花香尾韻,甜而不膩

◆單一花源蜂蜜,風味純粹且品質穩定

◆無論搭配茶飲、麵包或直接品嚐,都是甜而不膩的絕佳選擇

◆台灣在地百年養蜂農場,盛夏時節採收龍眼蜂蜜

 

數量
$ 480 $ 700 現貨只剩10件即將完售!
  • 原價 : $ 700

現貨只剩10即將完售!

+

以優惠價格加購商品

付款方式:
線上刷卡 / ATM 轉帳
運送方式:
常溫宅配(常溫滿999免運) / 超商取貨(常溫滿999免運)

商品特色











商品規格

◎品名:【Bountree】Premium Longan Honey 100%特級純龍眼蜂蜜(460g/罐)純龍眼蜂蜜 琥珀色

◎規格:460g/罐

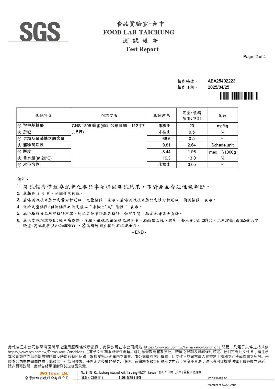
◎成分:100%龍眼蜜

◎保存期限:2年

◎保存方式:常溫,避免陽光直曬

◎營養標示:如附圖

◎食用方式:沖泡,沾,搭配麵包吐司

◎過敏原:無

◎產地:台灣

◎廠商名稱:得福有限公司

◎廠商電話號碼:02-85216850

◎廠商地址:新北市新莊區中原東路22號

◎商品有效日期:如商品包裝上所示

◎投保產品責任險字號:華南1400第042050293號

◎食品業者登錄字號:F-189863710-00000-5

揪!人來買

推薦親友來血拚 成功購買雙方皆可賺回饋金!
※ 詳細回饋金計畫與查詢請點我了解